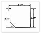
Bay Sheet Metal » Seamless Box Gutter 7-inch

 
 
 
   
 
 
 

IMG 0175
Image | 1 | 2 | 3 | 4 | 5 |
Camera: iPhone 4 | Date: 5/11/11 1:56 PM | Resolution: 2592 x 1936 | ISO: 80 | Exp. Time: 1/475s | Aperture: 2.8 | Focal Length: 3.85mm
Total images: 5 | Generated by JAlbum 7.1 & Chameleon | Help